无功补偿控制器操作说明书
无功补偿控制器是一种用于电力系统的重要设备,其功能是改善电力系统的功率因数,提高系统的稳定性和效率。本操作说明书将详细介绍无功补偿控制器的使用方法和注意事项,帮助用户正确操作和维护设备。
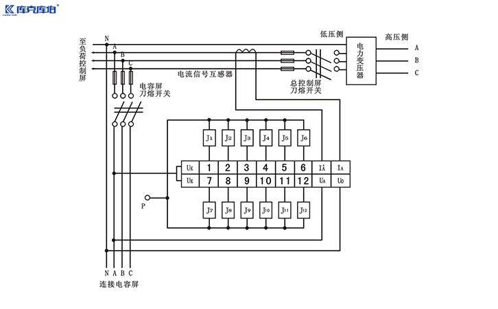
一、无功补偿控制器的安装
1、安装位置的选择:
无功补偿控制器应安装在电力系统中最需要补偿的部位,通常为电容器与电动机之间的连接点。安装位置的选择要考虑电力系统的拓扑结构和电压、电流的测量要求,确保补偿效果最佳。
2、安装步骤:
(1)在选定的安装位置上安装无功补偿控制器底座,确保底座牢固可靠。
(2)将无功补偿控制器与底座固定连接,注意接线正确牢固。
(3)接通电源,并按照说明书进行初始设置和参数配置。
二、无功补偿控制器的操作
1、启停控制:
通过控制面板上的启停按钮,可以控制无功补偿控制器的启停。当不需要补偿时,可通过停止无功补偿控制器的运行,以节约能源。需要补偿时,再启动无功补偿控制器。
2、参数调整:
无功补偿控制器可以根据实际需求进行参数调整,如功率因数设定、电压设定、电流设定等。通过控制面板上的调整按钮,很方便地完成参数的调整。
3、运行状态监测:
在无功补偿控制器的监测界面上,可以实时监测电压、电流、功率因数等参数的变化情况。通过监测界面的数据,可以了解无功补偿控制器的运行状态,及时进行调整和维护。
4、故障报警处理:
当无功补偿控制器出现故障或异常情况时,会自动报警并显示故障代码。此时需要及时处理故障,并根据报警代码查询故障原因,进行维修或更换部件。
三、无功补偿控制器的维护保养
1、定期检查:
定期检查无功补偿控制器的接线是否松动,电容器是否损坏,电源是否正常等。若发现异常情况,及时修复或更换部件。
2、清洁保养:
定期清洁无功补偿控制器的控制面板和散热器,保持设备的散热效果和正常运行。
3、备件储备:
准备好常用的备件,以备突发情况使用。备件包括电容器、继电器、保险丝等常见易损件。
四、无功补偿控制器的优势
无功补偿控制器具有以下优势:
1、提高电力系统的功率因数,降低系统的无功功率,减少能源的浪费。
2、改善电力系统的稳定性和可靠性,避免因无功功率引起的电压波动和电力设备损坏。
3、提高电力系统的效率,减少线路损耗,降低电力费用。
4、减少电力系统对输电线路和变电设备的负荷,延长设备的使用寿命。
五、注意事项
1、在操作无功补偿控制器之前,先熟悉操作说明书中的内容,并严格按照要求进行操作。
2、定期检查无功补偿控制器的电源和接线情况,确保设备的运行安全和稳定。
3、定期维护无功补偿控制器,保持设备的良好状态和正常运行。
4、遇到故障时,应及时处理,不得私自进行拆解或修复,以免造成更大的损失和安全隐患。
收藏库克库伯
在线留言
网站地图
全国24小时服务热线400-607-8886 18702186953 / 16628563856








联系方式/CONTACT INFORMATION
